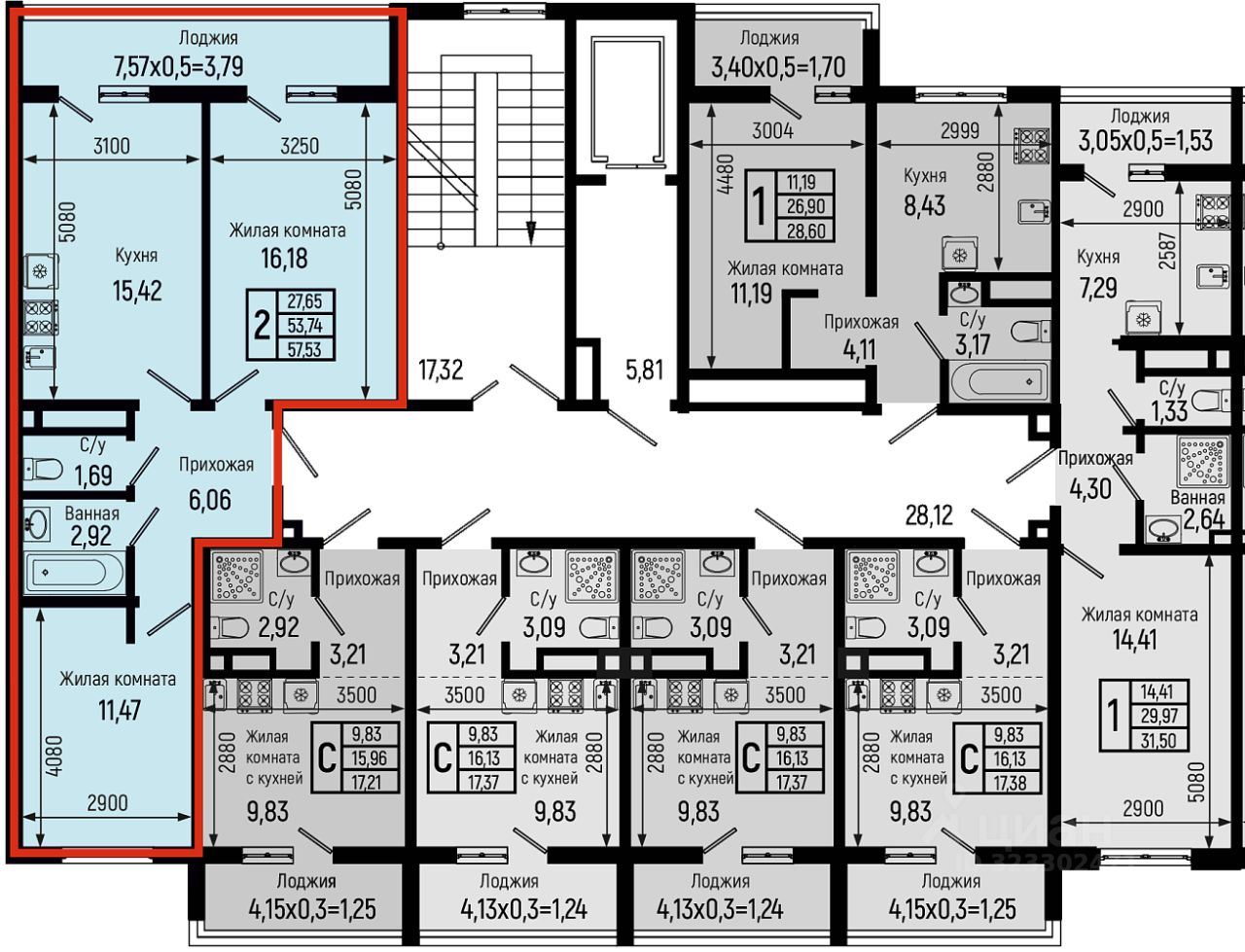
Продаётся 2-комнатная квартира в сданном доме (Литер 2), срок сдачи: I-кв. 2026, общей площадью 57.53 кв.м., на 7 этаже. Новый жилой комплекс ''Botanica Hills'' от застройщика ''Название застройщика'' расположен по адресу Краснодарский край, Туапсинский район, село Небуг, Спортивная улица.